switek email

sales06@switek.biz

switek whatsapp

+86 186 5927 5869

Subscribe to Us

.

HIGH SPEED IML ROBOT

Keywords:Panasonic A6 Servo Motor, Panasonic A6 Servo Motor Driver, Panasonic A6 Servo Motor setting instruction

Panasonic A6 AC Servo Motor Installation Instruction -- 2.2.4 Wiring to the connector

Abstract

The Panasonic A6 series of AC servo moto provided the protocol to communicate with the other facilities via USB, RS232 and RS485 etc. In this chapter we're discuss how to connect the Panasonic A6 series of AC servo motor to the communication connector.

Wiring to the connector, X1 — Connecting host computer

This is used for USB connection to a personal computer. It is possible to change the parameter setting and perform monitoring.

Application Symbol Connector Pin No. Contents
USB signal terminal VBUS 1 Use for communication with personal computer.
D- 2
D+ 3
4 Do not connect.
GND 5 Connected to group of control circuit.

Caution → Use commercially available USB mini-B connector for the driver.

Wiring to the connector, X2 — Connecting communication connector panasonic a6 servo motor

This is used for connection to the host controller when two or more units are used. RS232 andd RS485 interfaces are supplied.

Application Symbol Connector Pin No. Contents
Signal ground GND 1 Connected to ground of control circuit.
NC 2 Do not connect
RS232 signal TXD 3 RS232 The transmission / reception method.
RXD 4
RS485 signal 485- 5 RS485 The transmission/reception method.
485+ 6
485- 7
485+ 8
Frame ground FG Shell Connected with protective earth terminal in the servo driver.

Connector (plug): 1-2201855-1 or 2040008-1 (optional, available from Tyco Electronics) [Connector pin assignment] panasonic a6 servo motor (Viewed from cable)

Wiring to the connector, X2 — Connecting host computer

• This servo driver features 2 kinds of communication function, RS232 and RS485, and you can use in 3 connecting methods.


Remarks → • X1 to X6 are used for the secondary circuit. To connect these terminals to the primary power supply (particularly, the 24 VDC power supply for brake), insulation is required. Do not connect these terminals to the same power supply.
Related page → •P.7-130 "Connector Kit for Communication Cable (for RS485, RS232)"

To communicate with a single driver through RS232

Connect the host (PC or controller) to an driver through RS232

panasonic a6 servo motor

Shut off both power of the PC and the driver before inserting/pulling out of the connector.

To communicate with multiple drivers through RS232 and RS485

By connecting the host (PC and host controller) and one driver via RS232 and connecting other drivers via RS485 each other, you can connect multiple drivers.

panasonic a6 servo motor

Note → • You can connect up to 32 drivers with the host. • For details, refer to P.7-28, "Communication" of Supplement.

To communicate with multiple drivers only through RS485

Communications between the host (PC or controller) and multiple drivers can be made through RS485.

panasonic a6 servo motor

Note → • You can connect up to 31 drivers with the host. • For details, refer to P.7-28 "Communication" of Supplement.

Wiring to the connector, X3 &mdash Safety function connector panasonic a6 servo motor

A safety by-pass plug is supplied as standard equipment. Do not disconnect it in normal times.
When controlling the safety function from the connected host controller, accessory connector cannot be used. Prepare and wire the connector (option) as specified below.
Since the standard connector cannot be used when controlling the safety function from the host controller, purchase the optional connector and make connection as shown below. When you do not configuring a safety circuit, please use the safety bypass plug of accessory to the driver.
For wiring of the safety bypass plug supplied with the driver, refer to the figure below.

Application Symbol Connector Pin No. Contents
NC 1 Do not connect.
2
Safety input 1 SF1- 3 These are two independent circuits that turn off the operation signal to the power module to shut off the motor current.
SF1+ 4
Safety input 2 SF2- 5
SF2+ 6
EDM output EDM- 7 This is an output for monitoring the failure of the safety function.
EDM+ 8
Frame ground FG Shell Connected with protective earth terminal in the servo driver.

Connector (plug): 2201855-1 or 2013595-1 (optional, available from Tyco Electronics) [Connector pin assignment]panasonic a6 servo motor (Viewed from cable)
Safety bypass plug supplied with the driver (internal wiring)

panasonic a6 servo motor

Wiring if the safety circuit is not configured. When using the safety function, do not make these connections.


Remarks → • X1 to X6 are used for the secondary circuit. To connect these terminals to the primary power supply (particularly, the 24 VDC power supply for brake), insulation is required. Do not connect these terminals to the same power supply.

Caution → • Disconnecting this connector during operation results in immediate stop.

Related page → • P.7-130 "Connector Kit for Safety"

Wiring to the connector, X4 — Connection to Host Controller
Tips on wiring
panasonic a6 servo motor

Relaed page → • For details, refer to P.3-31, "Wiring Diagram to the connector, X4" and P.3-33, "Inputs and outputs on connector X4".

•Specifications of the Connector, X4

Connector to be prepared by customer Manufacturer
Part name Part No.
Connector (soldering type) DF02P050F22A1 Japan Aviation Electronics Ind.
Connector cover DF02P050B22A1
or
Connector (soldering type) 54306-5019 Molex Inc.
Connector cover 54331-0501
or
Connector (soldering type) 10150-3000PE Sumitomo 3M
Connector cover 10350-52A0-008

or equivalent

Note → • For details, refer to P.7-108, "Options" of Supplement.

Remarks → • Tightening torque of the screws for connector (X4) for the connection to the host be 0.3 N*m. Larger tightening torque than these may damage the connector at the driver side.

Wiring to the connector, X5 — Connect on to External Scale panasonic a6 servo motor

Provide a power supply for the external scale on your part or use the following power output (250 mA or less).

Application Symbol Connector Pin No. Contents
Power supply output EX5V 1 Supply the power of external scale or A, B, Z phase encoder.
EX0V 2 Connected to ground of control circuit.
I/F of external scale signals EXPS 3 Serial signal
The transmission / reception method.
/EXPS 4
A, B, Z phase Endoder signal input EXA 5 Parallel signal reception
Correspondence speed: 4 Mpps (after quardruple)
/EXA 6
EXB 7
/EXB 8
EXZ 9
/EXZ 10
Frame ground FG Shell Connected with protective earth terminal in the servo driver.

Connector (plug) sirial external signal: MUF-PK10K-X (by J.S.T. Mfg. Co., Ltd.)

panasonic a6 servo motor

• Caution

  1. Unit can accommodate two incremental and absolute type as the corresponding serial signals for external scale. Please is whether or not the external scale is your maker is available at our website.
  2. Recommended external scale ratio is 1/40 ≤ External scale ratio ≤ 1280

    If you set up the external scale ratio to smaller value than 50/position loop gain (Pr1.00 and Pr.1.05), you may not be able to control 1 pulse unit, even if within the range as described above. Setup of larger scale ratio may result in larger noise.


Remarks → • X1 to X6 are used for the secondary circuit. To connect these terminals to the primary power supply (particularly, the 24 VDC power supply for brake), insulation is required. Do not connect these terminals to the same power supply.
Related page → • P.4-6 "Details of Parameter" • P.7-131 "Connector Kit for External Scale"

Wiring to the connector, X5 — Connect on to Feedback Scale
Wiring Diagram of X5
panasonic a6 servo motor
How to Wiring

Wire the signals from the external scale to the external scale connector, X5.

  1. Cable for the external scale to be the twisted pair with bundle shielding and to having the twisted core wire with diameter of 0.18mm2.
  2. Cable length to be mex.20 m. Double wiring for 5 V power supply is recommended when the wiring length is long to reduce the voltage drop effect.
  3. Connect the outer film of the shield wire of the external scale to the shield of the junction cable. Also connect the outer film of the shield wire to the shell (FG) of connector X5 of the driver without fail.
  4. Separate the wiring from the power line (L1, L2, L3, L1C, L2C, U, V, W, panasonic a6 servo motor ) as much as possible (30 cm or more). Do not pass these wires in the same duct, nor bundle together.
  5. Do not connect anything to the vacant pins of X5.
  6. The maximum power available from the connector X5 is 250mA at 5 V ±5%. If you use an external scale requiring more power, you should provide the suitable power source by yourself. Some external scales need longer initialization period after power up. Your design should meet this operation timing after power up.
  7. When driving the external scale from an external power supply, keep the EX5V pin open circuit so that it does not receive any external voltage. Connect the GND circuit (0 V) to EX0V (connector X5, pin 2) of the driver to eliminate potential difference.
  8. When driving the external scale from an external power supply, keep the EX5V pin open circuit so that it does not receive any external voltage. Connect the GND circuit (0V) to EX0V (connector X5, pin 2) of the driver to eliminate potential difference.
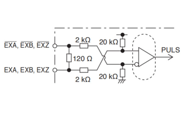
Input circuit

• EXA, EXB, EXZ input circuit

panasonic a6 servo motor

Remarks → • X1 to X6 are used for the secondary circuit. To connect these terminals to the primary power supply (particularly, the 24 VDC power supply for brake), insulation is required. Do not connect these terminals to the same power supply.

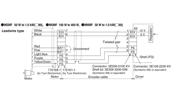
Tips on Wiring
panasonic a6 servo motor
  • Maximum cable length between the driver and the motor to be 20m. Consult with a dealer or distributor if you want to use the longer cable than 20m. (Refer to the back cover.)
  • Keep this wiring away from the main circuit by 30cm or more. Don't guide this wiring through the same duct with the main, nor bind them together.
  • The voltage of input power to encoder side connector should be in the range 4.75 VDC — 5.25 VDC.
  • When you make your own encoder junction cable (for connectors, refer to P.7-111, "Options (Connector Kit for Motor and Encoder connection)") of Supplement.
panasonic a6 servo motor

Remarks → • X1 to X6 are used for the secondary circuit. To connect these terminals to the primary power supply (particularly, the 24 VDC power supply for brake), insulation is required. Do not connect these terminals to the same power supply.
Related page → • P.7-131 "Connector Kit for Encoder"

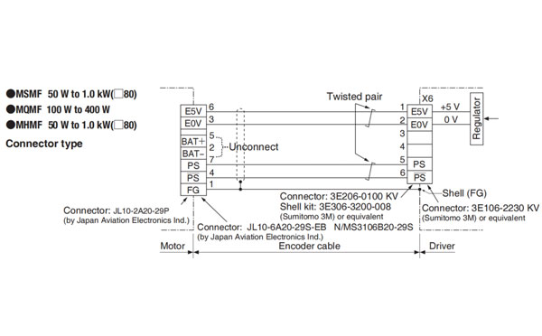
Wiring to the connector, X6 — Connection to Encoder
Wiring Diagram

• In case of 23-bit absolute encoder (as multi-turn data was be used)

panasonic a6 servo motor

Remarks → • Connect the battery for absolute encoder across 1P and 2P of the junction connector (the figure above).
• A battery holder and a battery connection cable should be the option cable or prepared by the user.

panasonic a6 servo motor

Caution → • Tighten the motor connector mounting screw (M2) with a torque between 0.19 and 0.21 N*m. To avoid damage, be sure to use only the screw supplied with the connector.
• Do not remove the gasket supplied with the junction cable connector. Securely install the gasket in place. Otherwise, the degree of protection of IP67 will not be guaranteed.

Remarks → • Connect the battery for absolute encoder across 5P and 2P of the junction connector (the figure above).
• A battery holder and a battery connection cable should be option cable or prepared by the user.

panasonic a6 servo motor
panasonic a6 servo motor

Remarks → • Connect the battery for absolute encoder across 6P and 5P of the junction connector (the figure above).
• A battery holder and a battery connection cable should be the option cable or prepared by the user.

• In case of 23-bit absolute encoder (as single turn data was be used)

panasonic a6 servo motor
panasonic a6 servo motor

Caution → • Tighten the motor connector mounting screw (M2) with a torque between 0.19 and 0.21 N*m. To avoid damage, be sure to use only the screw supplied with the connector.
• Do not remove the gasket supplied with the junction cable connector. Securely install the gasket in place. Otherwise, the degree of protection of IP67 will not be guaranteed.

panasonic a6 servo motor
panasonic a6 servo motor

Remarks → • X1 to X6 are used for the secondary circuit. To connect these terminals to the primary power supply ( particularly, the 24 VDC power supply for brake), insulation is required. Do not connect these terminals to the same power supply.


PanasonicA6 Operating Instruction

E-mail:sales06@switek.biz

WhatsApp

WeChat


You May Also Be Interested
Send Us An Inquiry Now
Submit